YRT1030
类型

承受联合载荷的高精密轴承

型号:YRT1030
厚度(mm):0
内径 d:1030
外径 D:1300

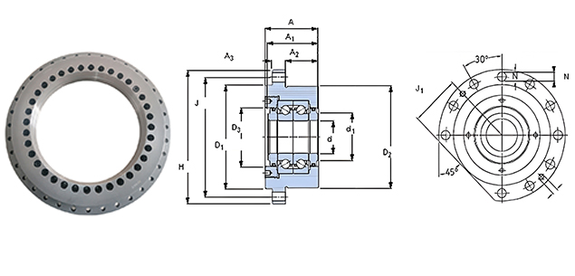
详细信息

尺寸(mm)
  • d1030
  • D1300
  • h145
  • H 1 92.5
  • H 2 -
  • C40
  • D 1 max1215
  • J1075
  • J 1 1255
固定孔
  • 内圈 d 1 18
  • 内圈 d 2 26
  • 内圈 a17
  • 数量 4) 70
  • 外圈d s 18
  • 外圈数量 4) 66
带螺纹的退卸孔
  • GM16
  • 数量6
基本额定载荷
  • 轴向动载荷 C a N1080000
  • 轴向静载荷 C oa N11000000
  • 径向动载荷 C r N620000
  • 径向静载荷C or N2650000
刚度
  • 支承位置 3) 轴向c aL kN/μm11.2
  • 支承位置 3) 径向c rL kN/μm16
  • 支承位置 3) 倾覆刚度c kL kN m /mrad1900
  • 滚动体组件 轴向c aL kN/μm79.7
  • 滚动体组件 径向c rL kN/μm18.8
  • 滚动体组件 倾覆刚度c kL kN m /mrad12025
型号
  • 型号YRT1030
质量 m ≈kg
  • 质量 m ≈kg375
角度 t1) 数量×t
  • 角度 t1) 数量×t72×5°
螺栓拧紧力矩 M A 2) N m
  • 螺栓拧紧力矩 M A 2) N m 284
极限转速 6) n G min –1
  • 极限转速 6) n G min –1 35
轴承摩擦力矩 M RL N m
  • 轴承摩擦力矩 M RL N m 800