首页
产品中心
GYJ轴承
SIAIF轴承
关于我们
工艺流程
应用领域
检测设备
新闻中心
轴承知识
新闻资讯
行业动态
联系我们
EN
CN
首页
产品中心
关于我们
工艺流程
应用领域
检测设备
新闻中心
联系我们
EN
CN
GYJ轴承
GYJ轴承 PWTR2562-2RS
类型
滚轮轴承
型号:PWTR2562-2RS
厚度(mm):25
内径 d:25
外径 D:62
联系我们
返回列表
详细信息
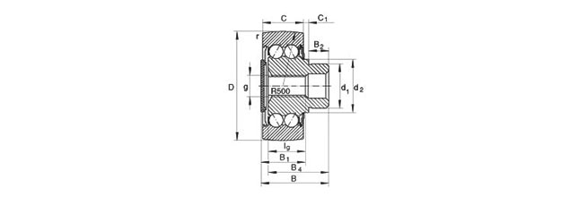
尺寸mm
D
62
d
25
B
25
C
24
d 2
31
r min
1
r 1 min
0.5
基本额定载荷N
动载荷 C rw
30000
静载荷 C orw
42500
动载荷 F rper
42500
静载荷 F orper
42500
质量m ≈kg
质量m ≈kg
450
疲劳极限载荷 C urw N
疲劳极限载荷 C urw N
5200
转速 n DG min –1
转速 n DG min –1
3800
型号
型号
PWTR2562-2RS
X-life
X-life
XL
相似轴承型号列表
GYJ轴承 RNA2208-2RSR
GYJ轴承 RNA2207-2RSR
GYJ轴承 RNA2206-2RSR
GYJ轴承 RNA2205-2RSR