首页
产品中心
GYJ轴承
SIAIF轴承
关于我们
工艺流程
应用领域
检测设备
新闻中心
轴承知识
新闻资讯
行业动态
联系我们
EN
CN
首页
产品中心
关于我们
工艺流程
应用领域
检测设备
新闻中心
联系我们
EN
CN
SIAIF轴承
SIAIF轴承 OH3144HTL
类型
紧定套
型号:OH3144HTL
厚度(mm):0
内径 d:220
外径 D:0
联系我们
返回列表
详细信息
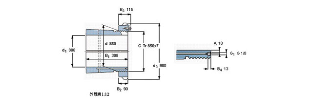
尺寸
d 1
200
d
220
d 3
260
B 1
161
B 2
30
B 3
41
G
Tr220×4
G 1
M6
A
4.2
型号
带锁紧螺母和 锁定装置的紧定套
OH3144HTL
锁紧螺母
HM3044
锁紧装置
MS3044
适用的液压螺母
HMV44E
质量
质量
14.3
相似轴承型号列表
SIAIF轴承 OH3168H
SIAIF轴承 OH3160H
SIAIF轴承 OH3156HTL
SIAIF轴承 OH3164H