详细信息

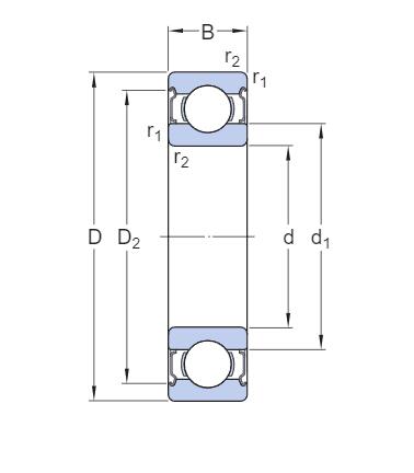
是 25 mm 47 mm 12 mm ≈31.92 mm ≈42.2 mm min.0.6 mm min.28.2 mm max.31.9 mm max.43.8 mm max.0.6 mm 6.55 kN 120 r/min max.250 °C需要进行跑合 
尺寸
d 孔径 D 外径 B 宽度 d1 内圈挡边直径 D2 外圈挡边凹槽直径 r1,2 倒角尺寸 
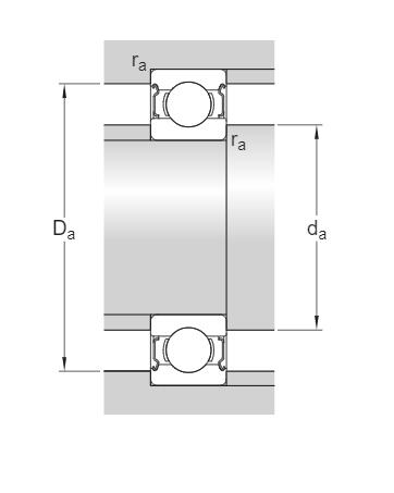
挡肩尺寸
da 轴挡肩直径 da 轴挡肩直径 Da 轴承座挡肩尺寸 ra 倒角半径 数据计算
基本额定静负荷 C0 极限转速 工作温度 T