详细信息

用于高温应用场合的深沟球轴承
高温应用场合的单列深沟球轴承设计用于恶劣运行条件,某些变型设计能够承受的温度高达 350 °C 。 高温轴承增加了径向游隙,并使用经过优化,可在高温下运行的石墨基润滑油。 轴承的所有表面经过磷酸锰处理,这增强了润滑剂对金属的粘着力,改善了跑合性能。 由于深沟球轴承使用广泛,通用性强,能承受双向的轴向和径向载荷,且易于安装。
优化高温运行——最高可达350 °C;便于与对应 ISO 尺寸的润滑脂润滑轴承互换;增加可靠性,降低复杂性,并减少对环境的影响;单列深沟球轴承的典型优势
需要进行跑合 | 是 |

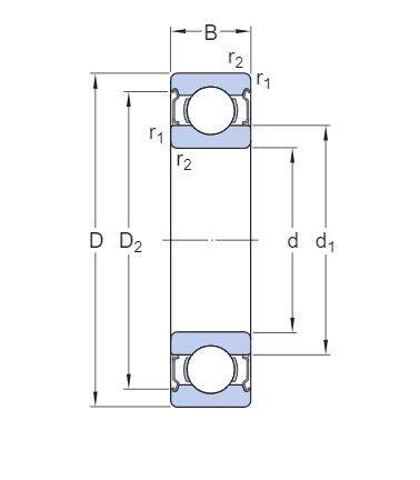
尺寸
| d | 35 mm | 孔径 |
|---|---|---|
| D | 62 mm | 外径 |
| B | 14 mm | 宽度 |
| d1 | ≈43.75 mm | 内圈挡边直径 |
| D2 | ≈55.61 mm | 外圈挡边凹槽直径 |
| r1,2 | min.1 mm | 倒角尺寸 |

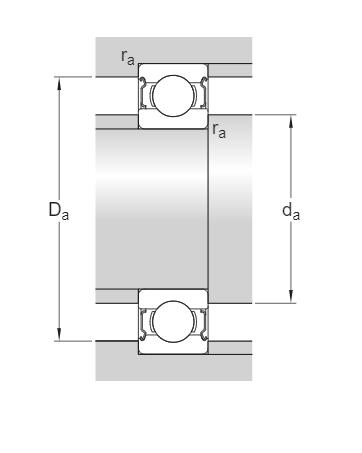
挡肩尺寸
| da | min.39.6 mm | 轴挡肩直径 |
|---|---|---|
| da | max.43.7 mm | 轴挡肩直径 |
| Da | max.57.4 mm | 轴承座挡肩尺寸 |
| ra | max.1 mm | 倒角半径 |
数据计算
| 基本额定静负荷 | C0 | 10.2 kN |
|---|---|---|
| 极限转速 | 170 r/min | |
| 工作温度 | T | max.250 °C |