详细信息

| 需要进行跑合 | 否 |

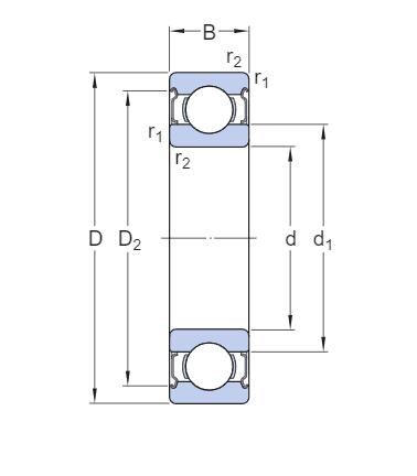
尺寸
| d | 40 mm | 孔径 |
|---|---|---|
| D | 68 mm | 外径 |
| B | 15 mm | 宽度 |
| d1 | ≈49.25 mm | 内圈挡边直径 |
| D2 | ≈61.1 mm | 外圈挡边凹槽直径 |
| r1,2 | min.1 mm | 倒角尺寸 |

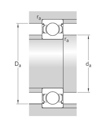
挡肩尺寸
| da | min.44.6 mm | 轴挡肩直径 |
|---|---|---|
| da | max.49.2 mm | 轴挡肩直径 |
| Da | max.63.4 mm | 轴承座挡肩尺寸 |
| ra | max.1 mm | 倒角半径 |
数据计算
| 基本额定静负荷 | C0 | 11 kN |
|---|---|---|
| 极限转速 | 80 r/min | |
| 工作温度 | T | max.350 °C |