详细信息

用于高温应用场合的单列深沟球轴承两侧带有防尘盖,设计用于恶劣运行条件下,某些型式能够承受的温度高达 350 °C 。 它们的径向内部间隙更大,使用可在高温下实现运行的石墨基润滑油。 它们在轴承寿命周期内终身润滑,而轴承的整个表面经过磷酸锰处理,这增强了润滑油与金属之间的粘着力,改善了磨合属性。 由于深沟球轴承使用广泛,通用性强,能承受双向的轴向和径向载荷,且易于安装。 优化高温运行——最高可达250 °C 便于与对应 ISO 尺寸的润滑脂润滑轴承互换 增加可靠性,降低复杂型,并减少对环境的影响 嵌入式密封可延长轴承使用寿命 单列深沟球轴承的典型优势 是 85 mm 130 mm 22 mm ≈99.4 mm ≈119.1 mm min.1.1 mm min.92 mm max.99.3 mm max.123 mm max.1 mm 43 kN 120 r/min max.250 °C两侧带防尘盖,用于高温应用场合的深沟球轴承
需要进行跑合 
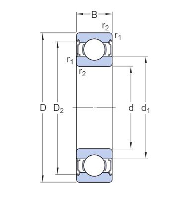
尺寸
d 孔径 D 外径 B 宽度 d1 内圈挡边直径 D2 外圈挡边凹槽直径 r1,2 倒角尺寸 
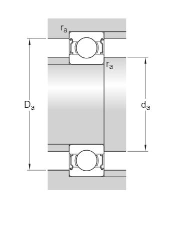
挡肩尺寸
da 轴挡肩直径 da 轴挡肩直径 Da 轴承座挡肩尺寸 ra 倒角半径 数据计算
基本额定静负荷 C0 极限转速 工作温度 T