详细信息

两侧带防尘盖,用于高温应用场合的深沟球轴承
用于高温应用场合的单列深沟球轴承两侧带有防尘盖,设计用于恶劣运行条件下,某些型式能够承受的温度高达 250 °C 。 它们的径向内部间隙更大,使用可在高温下实现运行的耐高温润滑油脂。 它们在轴承寿命周期内终身润滑,而轴承的整个表面经过防锈处理,这增强了润滑油与金属之间的粘着力,改善了磨合属性。 由于深沟球轴承使用广泛,通用性强,能承受双向的轴向和径向载荷,且易于安装。
优化高温运行——最高可达250 °C
便于与对应 ISO 尺寸的润滑脂润滑轴承互换
增加可靠性,降低复杂型,并减少对环境的影响
嵌入式密封可延长轴承使用寿命
单列深沟球轴承的典型优势

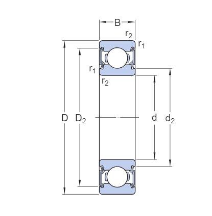
尺寸
| d | 17 mm | 孔径 |
|---|---|---|
| D | 26 mm | 外径 |
| B | 5 mm | 宽度 |
| d1 | ≈19.8 mm | 挡边直径 |
| D2 | ≈24.15 mm | 凹槽直径 |
| r1,2 | min.0.3 mm | 倒角尺寸 |

挡肩尺寸
| da | min.19 mm | 轴挡肩直径 |
|---|---|---|
| da | max.19.6 mm | 轴挡肩直径 |
| Da | max.24 mm | 轴承座挡肩直径 |
| ra | max.0.3 mm | 轴或轴承座倒角半径 |
数据计算
基本额定动荷 C 2.03 kN
基本额定静负荷 C0 1.27 kN
疲劳载荷限值 Pu 0.054 kN
极限转速
3 000 r/min
最小载荷系数 kr 0.015
计算系数 f0 14.1
工作温度 T max.250 °C
| 基本额定动荷 | C | 2.03 kN |
|---|---|---|
| 基本额定静负荷 | C0 | 1.27 kN |
| 疲劳载荷限值 | Pu | 0.054 kN |
| 极限转速 | 3 000 r/min | |
| 最小载荷系数 | kr | 0.015 |
| 计算系数 | f0 | 14.1 |
| 工作温度 | T | max.250 °C |
|---|
公差等级
| 尺寸公差 | P5 |