29438E
类型

球面滚子推力轴承

型号:29438E
厚度(mm):115
内径 d:190
外径 D:380

详细信息

过期key网站,修改网站Key,六道轮回..

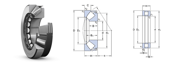
基本尺寸 mm
  • d190
  • D380
  • H115
基本额定负荷 kN
  • 动态 C2850
  • 静态 Co8000
额定转速 r/min
  • 参考转速950
  • 极限转速1700
尺寸 mm
  • d190
  • d 1 ~332.9
  • D1 ~264.5
  • B73
  • B 1 101
  • C55.5
  • r 1,2 最小5
  • s117
挡肩及倒角尺寸 mm
  • d a 最小280
  • d b1 最大207
  • d b2 最大223
  • H a 最小-
  • Da 最大321
  • r a 最大4
疲劳负荷极限 Pu
  • 疲劳负荷极限 Pu765
最小负荷系数 A
  • 最小负荷系数 A6.1
质量 kg
  • 质量 kg60.5
型号
  • 型号*29438E