详细信息

带密封或防尘盖的深沟球轴承
带密封或防尘盖的单列深沟球轴承通用性强,摩擦很低,并经过优化,可降低噪声和振动,从而提高旋转转速。 能承受径向载荷和双向轴向载荷,安装方便,需要所需的维护比很多其他轴承类型要少很多。 嵌入式密封可大幅延长轴承的使用寿命,因为它可防止润滑脂泄漏和污染物进入。
嵌入式密封可延长轴承的使用寿命
简单通用坚固的设计
低摩擦
高速能力
能承受径向载荷和双向的轴向载荷
几乎不需要维护

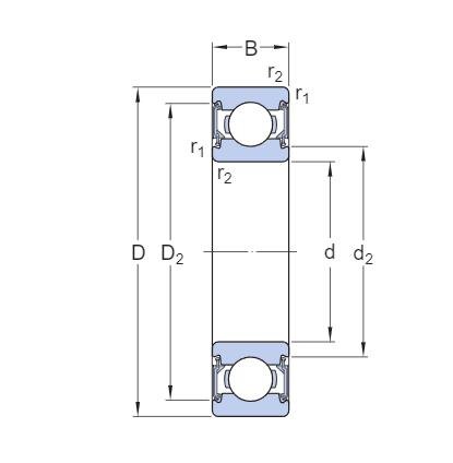
尺寸
| d | 12 mm | 孔径 |
|---|---|---|
| D | 21 mm | 外径 |
| B | 5 mm | 宽度 |
| d1 | ≈15 mm | 挡边直径 |
| D2 | ≈18.95 mm | 凹槽直径 |
| r1,2 | min.0.3 mm | 倒角尺寸 |

挡肩尺寸
| da | min.14 mm | 轴挡肩直径 |
|---|---|---|
| da | max.14.7 mm | 轴挡肩直径 |
| Da | max.19 mm | 轴承座挡肩直径 |
| ra | max.0.3 mm | 轴或轴承座倒角半径 |
数据计算
| 基本额定动荷 | C | 1.74 kN |
|---|---|---|
| 基本额定静负荷 | C0 | 0.915 kN |
| 疲劳载荷限值 | Pu | 0.039 kN |
| 参考转速 | 70 000 r/min | |
| 极限转速 | 36 000 r/min | |
| 最小载荷系数 | kr | 0.015 |
| 计算系数 | f0 | 13.4 |