详细信息

带嵌入式密封的不锈钢深沟球轴承
两侧带密封或防尘盖的不锈钢单列深沟球轴承具有更高的耐化学和耐腐蚀性。 由于深沟球轴承使用广泛,通用性强,摩擦很低,经过优化可降低噪声和振动,从而提高旋转转速。 能承受径向载荷和双向轴向载荷,安装方便,需要所需的维护比其他轴承类型要少很多。 嵌入式密封可大幅延长轴承的使用寿命,因为它可防止润滑脂泄漏和污染物进入。
提高了耐化学品和耐腐蚀的性能
嵌入式密封可延长轴承的使用寿命
单列深沟球轴承的典型优势

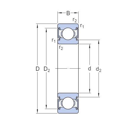
尺寸
| d | 35 mm | 孔径 |
|---|---|---|
| D | 47 mm | 外径 |
| B | 7 mm | 宽度 |
| d1 | ≈38.21 mm | 挡边直径 |
| D2 | ≈44.4 mm | 凹槽直径 |
| r1,2 | min.0.3 mm | 倒角尺寸 |

挡肩尺寸
| da | min.37 mm | 轴挡肩直径 |
|---|---|---|
| da | max.38 mm | 轴挡肩直径 |
| Da | max.45 mm | 轴承座挡肩直径 |
| ra | max.0.3 mm | 轴或轴承座倒角半径 |
数据计算
| 基本额定动荷 | C | 4.75 kN |
|---|---|---|
| 基本额定静负荷 | C0 | 3.2 kN |
| 疲劳载荷限值 | Pu | 0.166 kN |
| 参考转速 | 3 000 r/min | |
| 极限转速 | 5 000 r/min | |
| 最小载荷系数 | kr | 0.015 |
| 计算系数 | f0 | 13.7 |
公差等级
| 尺寸公差 | P6 |